Znajdź informacje o wybranym aucie

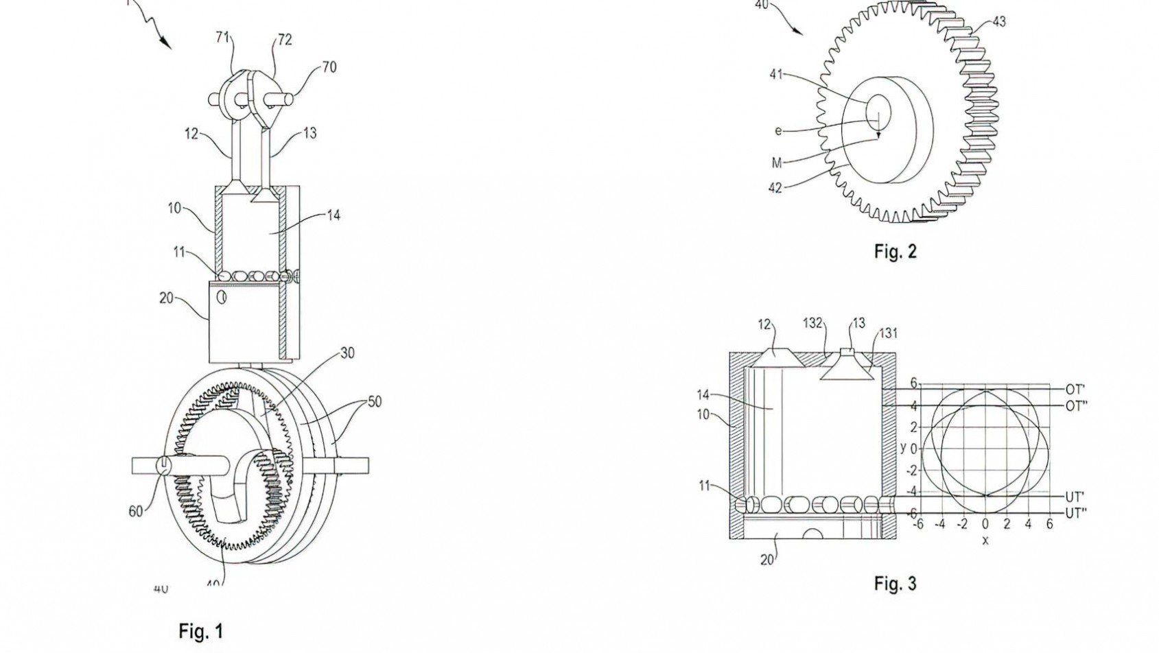
Galeria: patent Porsche - silnik sześciosuwowy

Redakcja EVO

autor: Redakcja Evo

24 września 2024
Powrót: Porsche opatentowało czystszy i mocniejszy silnik sześciosuwowy
Test zimowej opony Yokohama Advan Winter V907 na śniegu w alpejskich warunkach
Prezentacja Partnera
Yokohama Advan Winter V907 – test zimowej opony w Alpach

Test zimowej opony Yokohama Advan Winter V907 w alpejskich warunkach. Sprawdzamy zachowanie na śniegu oraz na mokrym i suchym asfalcie.

17 grudnia 2025
Klasyczne BMW zestawione z sylwetkami ubrań PTRLSM w minimalistycznym studiu
Kultura
Społeczności, które zmieniają motoryzację

Nowe projekty wokół klasycznych aut w Europie i Polsce. Community, emocje i kultura zamiast konkursów i inwestycji

16 grudnia 2025
Porsche Carrera GT, Mercedes SLR McLaren, zielone RWB Porsche oraz TVR Tuscan ustawione w centralnej części PGE Narodowego podczas sesji Wystawy Castrol Ikony Motoryzacji
Ikony Motoryzacji
Castrol Ikony Motoryzacji – wystawa prawdziwych legend

Unikatowe auta, supercary, klasyki i ikony motorsportu wracają na PGE Narodowy. Odkryj nową edycję Wystawy Castrol Ikony Motoryzacji.

9 grudnia 2025
FKA twigs pokryta ziemią i piaskiem, w pozie odwołującej się do surowej, pierwotnej natury żywiołu ziemi
Prezentacja Partnera
Cztery żywioły. Kalendarz Pirelli 2026

Kalendarz Pirelli 2026 „Elements” Sundsbø to filmowa opowieść o żywiołach, naturze i emocjach redefiniujących „The Cal”.

5 grudnia 2025
Morgan 25 lat z BMW
Morgan
Morgan świętuje 25 lat współpracy z BMW

Silniki i skrzynie biegów BMW już od 25 lat stanowią podstawę napędów wszystkich modeli Morgana.

17 grudnia 2025
Samochód sportowy zabezpieczony powłokami Ceramic Pro z linią kosmetyków Spectrum na tylnym skrzydle
Prezentacja Partnera
Czy to początek nowej ery zabezpieczania samochodów?

Nowoczesne powłoki ceramiczne, folie PPF i innowacyjne rozwiązania Ceramic Pro chronią lakier, zmieniają wygląd auta i podkreślają jego styl.

17 grudnia 2025
Test zimowej opony Yokohama Advan Winter V907 na śniegu w alpejskich warunkach
Prezentacja Partnera
Yokohama Advan Winter V907 – test zimowej opony w Alpach

Test zimowej opony Yokohama Advan Winter V907 w alpejskich warunkach. Sprawdzamy zachowanie na śniegu oraz na mokrym i suchym asfalcie.

17 grudnia 2025
Przedni widok GAC Hyptec HT na brukowanej drodze, ujęcie 3/4
Prezentacja Partnera
GAC Hyptec HT – chiński elektryczny SUV, który rozumie Europę

Testujemy GAC Hyptec HT – elektrycznego SUV-a z Chin, który stawia na komfort, jakość i dojrzały styl. 

16 grudnia 2025
Klasyczne BMW zestawione z sylwetkami ubrań PTRLSM w minimalistycznym studiu
Kultura
Społeczności, które zmieniają motoryzację

Nowe projekty wokół klasycznych aut w Europie i Polsce. Community, emocje i kultura zamiast konkursów i inwestycji

16 grudnia 2025
Audi F1 malowanie
Formuła 1
Audi ujawnia sponsora tytularnego zespołu F1 i datę prezentacji bolidu

Sezon 2026 Formuły 1 będzie pierwszym dla Audi jako samodzielnego producenta, a ambicje są ogromne.

16 grudnia 2025
Porsche 911 GT3 Touring 90 F.A.
Porsche / 911 GT3 Touring
To wyjątkowe GT3 powstało na cześć twórcy projektu oryginalnego 911

F.A. “Butzi” Porsche - twórca sylwetki 911 - został uhonorowany w edycji specjalnej modelu GT3.

15 grudnia 2025
Brabus 900 Superblack Bentley GT
Bentley / Continental GT
Brabus wziął się za Bentleya - ma 900 KM w coupe lub kabriolecie

Nie tylko AMG i Porsche, ale także Bentley Continental GT stał się obiektem zainteresowania Brabusa.

15 grudnia 2025
McLaren 750S Spider nat bowen
McLaren / 750S
McLaren 750S "Chromology" - kolor to emocje i sztuka wyrazu

MSO i brytyjska artystka Nat Bowen stworzyli McLarena 750S pokrytego innowacyjną warstwą lakieru. 

11 grudnia 2025
Genesis G90 Wingback concept
Genesis / G90
Genesis G90 Wingback Concept - potencjalny rywal BMW M5 Touring

Projekty takie jak G90 Wingback Concept Genesis mają podkreślić sportowe aspiracje marki Genesis.

10 grudnia 2025
Porsche Carrera GT, Mercedes SLR McLaren, zielone RWB Porsche oraz TVR Tuscan ustawione w centralnej części PGE Narodowego podczas sesji Wystawy Castrol Ikony Motoryzacji
Ikony Motoryzacji
Castrol Ikony Motoryzacji – wystawa prawdziwych legend

Unikatowe auta, supercary, klasyki i ikony motorsportu wracają na PGE Narodowy. Odkryj nową edycję Wystawy Castrol Ikony Motoryzacji.

9 grudnia 2025
Bentley Continental GT dutch masters seria
Bentley / Continental GT
Bentley prezentuje trzy unikatowe kreacje inspirowane mistrzami pędzla

Luksusowe samochody i malarstwo? Bentley i Mulliner udowadniają, że to bardzo dobre połączenie.

9 grudnia 2025